Leírás és Paraméterek
BRAVOMAX-A
Automatikus öntisztító szűrő nyomáskülönbség kapcsolóval és motoros mágnesszeleppel
- nyomószelep
- automatikus kefe és 12 - 24 - 36 - 48 óra mosóvíz ürítő rendszer
- nyomásmérők
- nagy áramlási sebesség
- elektronikus vezérlés időzített programmal
- beépített nyomáskülönbség mosási beavatkozással ΔP 1 bar
JELLEMZŐK
A BravoMAX-A egy automatikus öntisztító szűrő nyomáskülönbség vezérléssel és motoros leeresztő mágnesszeleppel; Ideális nagy vízáramok szűrésére, patronkefe rendszerrel és szennyeződésmentesítéssel.
A BravoMAX-A teljes egészében rozsdamentes acélból készül. A patron rozsdamentes acélból készül, amely egy kibővített tartóhálóhoz van hegesztve. A patron specifikus szerkezete ellenáll a nyomásütéseknek, csökkentve a deformáció és a zúzódás problémáját. A nylon kefék rozsdamentes acél tartóval rendelkeznek.
Nyomásmérőkkel van ellátva a nyomás érzékelésére, és menetes vagy karimás csatlakozásokkal ellátott változatban kapható.
A BravoMAX-A-t egy időprogram és elektrohidraulikus differenciálmű kezeli a szűrőbetét tisztításához, egyidejű kefés mosással és szennyeződés ürítéssel; motoros mágnesszeleppel van felszerelve a lefolyó nyitásához és bezárásához. A nyomáskülönbség folyamatosan ellenőrzi a szűrőelem eltömődésének mértékét, és aktiválja a visszamosást, ha ΔP = 0,8 Bar nyomáskülönbség lép fel; Ez az eszköz ezért lehetővé teszi a szűrő eltömődésének elkerülését. A mosási művelet aktiválja a kefés és szennyeződésmentesítő rendszert, nagy sebességű tangenciális áramlást hozva létre, amely eltávolítja a szűrőedényben felhalmozódott szennyeződéseket.
A BravoMAX-A a szűrőbetét belsejéből kifelé szűri a vizet.
|
|
|
| Rozsdamentes acélszűrő | 304 rozsdamentes Motoros szelep | Karimás acél szűrő záró |
AMIT KÍNÁLUNK
A BravoMAX-A fadobozba van csomagolva.
A standard ellátás tartalmazza: BravoMAX-A szűrő, tápegység, 2# karimák (karimás modellekhez), 2# glicerin nyomásmérőket, használati és kezelési utasításokat, telepítési nyilatkozatot (beleértve a jótállási jegyet).
|
Kód |
Csatlakozás |
Átfolyás (Δp = 0,5 bar) m3/h |
Szűrési Tartomány µm |
Min/max nyomás bar |
|
FT060E |
1” ½ M |
30,0 |
150 |
2,0 - 10 |
|
FT062E |
2” M |
40,0 |
150 |
2,0 - 10 |
|
FT064E |
2” ½ M |
49,6 |
150 |
2,0 - 10 |
|
FT066E |
3” M |
54,0 |
150 |
2,0 - 10 |
|
FT160E |
DN40 |
30,0 |
150 |
2,0 - 10 |
|
FT162E |
DN50 |
40,0 |
150 |
2,0 - 10 |
|
FT164E |
DN65 |
49,6 |
150 |
2,0 - 10 |
|
FT166E |
DN80 |
54,0 |
150 |
2,0 - 10 |
Megjegyzések: 100 - 200 mikronos szűrési fok kérésre
Megrendelések esetén adja meg a szűrés mértékét a kód után; Pl: FT044-200 - Az ár változatlan marad
TELJES MÉRETEK MM-BEN KIFEJEZVE
|
|
|
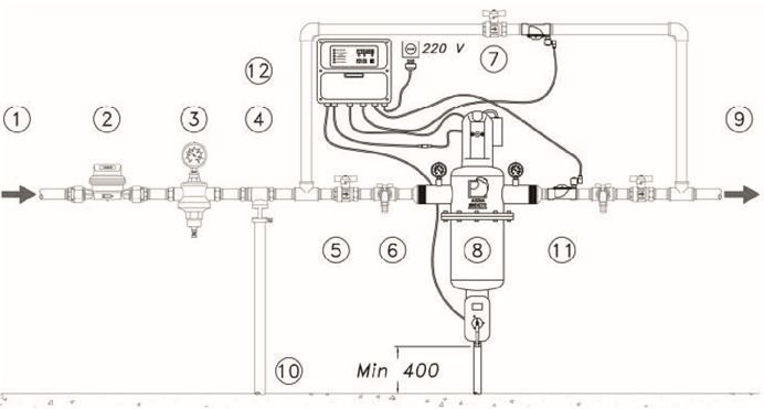
| PÉLDA A TELEPÍTÉSRE | Magyarázat |
|
1. Nyersvíz-bevezetés 2. Fő vízmérő 3. Nyomáscsökkentő 4. Szakaszoló 5. Elzáró szelep 6. Mintavételi csap 7. Megkerülő szelep 8. BravoMAX-A szűrő 9. Kezelt víz kimenet 10. Kisülés 11. Mágnesszelepek 12. Vezérlőpult |
ÚTMUTATÓ A HELYES KARBANTARTÁSHOZ
A berendezés helyes működése és időtartama idővel a mellékelt karbantartási utasítások helyes telepítésétől, megfelelő használatától és módszeres alkalmazásától függ.
|
Első év |
Második év |
Harmadik év |
Negyedik év |
Ötödik év |
|
PATRON ÖSSZESZERELÉSE Tisztítás |
PATRON ÖSSZESZERELÉSE Tisztítás |
PATRON ÖSSZESZERELÉSE Tisztítás |
PATRON ÖSSZESZERELÉSE Tisztítás |
PATRON ÖSSZESZERELÉSE Szükség esetén módosítsa |
|
TISZTÍTÁS Évente vagy olyan inaktív időszakok után, amelyek meghaladják 30 nap-ot. |
TISZTÍTÁS Évente vagy olyan inaktív időszakok után, amelyek meghaladják 30 nap-ot. |
TISZTÍTÁS Évente vagy olyan inaktív időszakok után, amelyek meghaladják 30 nap-ot. |
TISZTÍTÁS Évente vagy olyan inaktív időszakok után, amelyek meghaladják 30 nap-ot. |
TISZTÍTÁS A szűrőbetét cseréjekor Évente vagy olyan inaktív időszakok után, amelyek meghaladják 30 nap-ot. |
AJÁNLOTT ALKATRÉSZEK
|
|
| Márka | Acqua Brevetti |






